
概述:
9-19、9-26系列的离心通风机基本都是用在锻冶炉还有高压强制的通风上面,并且普遍的应用在运输物料、运输空气还有无腐蚀性,没有包含粘性物质的气体,包含的尘土还有硬质的颗粒物质不高于150 mg/m³,介质的温度不可以大于80℃。
型式 :
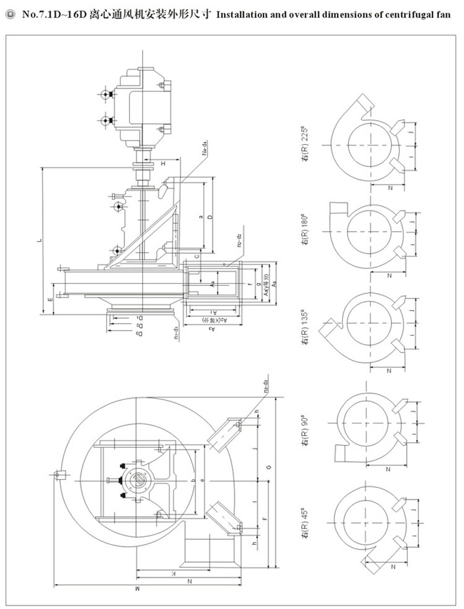
本系列风机分为No.4-16共有13种机号,出风口角度有0°、45°、90°、135°、180°、225°共6种,No.4-6.3为A式传动,No.7.1-16为D式传动,均为单吸式。
结构:
风机主要由机壳、叶轮、集风器、轴承箱和传动组成。 叶轮由前向弯曲型叶片、曲线型轮盖和平板中盘及铸钢轮毂所组成,9-19型风机叶片为12片,9-26型风机叶片为16片,成型后经静、动平衡校正,故运转平稳可靠。 机壳采用优质钢板蜗形线焊接成整体。集风器制成收敛式流线型的整体结构,用螺栓固定在前盖板上。
传动部主轴选用的是优质碳钢制造而成,并且用联轴器传动。 可按照用户需求配制减振台座。
订货须知 :
订货时应标注写明风机型号、转速、流量、风压(静压)、用途、传动方式、旋转方向、出风口角度、以及电机型号规格等。如有特殊要求,订货时应及时提出。












